

用途與特點:
PT201型差壓力變送器選用進口高精度、高穩定性傳感器芯片,采用獨特的應力隔離技術,經精密溫度補償及高穩定性放大處理,將被測介質的差壓信號轉換成4~20mADC或0~5VDC標準信號輸出。高質量的傳感器、精湛的封裝技術及完善的裝配工藝,確保了該產品質量優異和性能優良。
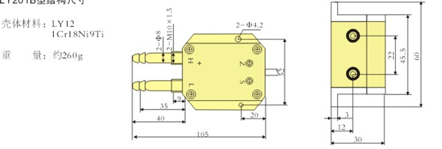
PT201型差壓變送器有多種接口形式和接線方式,并可配置一體指針或數顯表頭,現場顯示差壓值。零點、量程連續可調。該產品廣泛應用于爐膛壓力、煙塵治理、風機、空調機等場所進行壓力、流量的檢測和控制。此類變送器也可以單端使用測表壓(負壓)。
技術指標:
量程范圍:0-0.2~1000kPa 量程連續可選
|
量程(kPa) |
過載(滿量程) |
靜壓 |
穩定性(%FS/年) |
溫度范圍(℃) |
測量介質 |
|
0-0.2~1 |
20倍 |
100kPa |
<1 |
補償:-10~﹢70℃ 工作:-40~﹢85℃ |
不導電、無腐蝕或弱腐蝕性干燥氣體 |
|
0-1.2~5 |
5倍 |
500kPa |
<0.5 |
||
|
0-6~100 |
3倍 |
2.0MPa |
<0.25 |
||
|
0-120~1000 |
2倍 |
5.0MPa |
<0.25 |
安裝要求:變送器有Φ8寶塔頭或者M20×1.5外螺紋接口,可直接與被測現場的高(H),低(L)壓端聯接,無需安裝支架。

