• <tt id="kkkkk"></tt>
    <tt id="kkkkk"><rt id="kkkkk"></rt></tt><tt id="kkkkk"><rt id="kkkkk"></rt></tt>
    <tt id="kkkkk"></tt>
  • <li id="kkkkk"><tt id="kkkkk"></tt></li>
    <li id="kkkkk"><tt id="kkkkk"></tt></li><tt id="kkkkk"><table id="kkkkk"></table></tt>
  • <li id="kkkkk"></li>
  • 蚌埠市力業傳感器有限公司歡迎您!

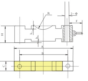
    CLF-H12定滑輪負荷傳感器


     

           CLF-H12定滑輪負荷傳感器

            用途與特點圓弧面承載,抗側、抗偏,結構合理,安裝方便??啥ㄖ浦袦貍鞲衅?,可內置電路,輸出4~20mA標準信號。
     


     

      


     

     

       

    相關產品推薦

    關注微信小程序          百度小程序

    力業傳感器微信        力業傳感器微信

    地址:安徽省蚌埠市淮上區盛華路中恒電商產業園26棟東二層

    電話:0552-3031320

    杜工:19955293012

    梁工:19955293016

    郵箱:227304168@qq.com

    傳真:0552-3015631

    Copyright © 蚌埠市力業傳感器有限公司 版權所有      備案號:皖ICP備19008013號-1
    蚌埠市力業傳感器有限公司主要產品有:力敏傳感器、測力傳感器、張力傳感器、扭矩傳感器等,歡迎在線咨詢
    亚州Av无码乱子轮