• <tt id="kkkkk"></tt>
    <tt id="kkkkk"><rt id="kkkkk"></rt></tt><tt id="kkkkk"><rt id="kkkkk"></rt></tt>
    <tt id="kkkkk"></tt>
  • <li id="kkkkk"><tt id="kkkkk"></tt></li>
    <li id="kkkkk"><tt id="kkkkk"></tt></li><tt id="kkkkk"><table id="kkkkk"></table></tt>
  • <li id="kkkkk"></li>
  • 蚌埠市力業傳感器有限公司歡迎您!

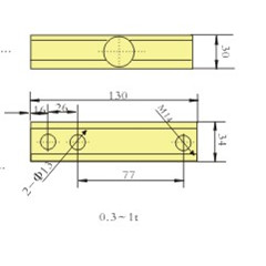
    CLF-H5A懸臂梁式測力傳感器






           CLF-H5A懸臂梁式測力傳感器

      用途與特點測張力時,可改變前段變力結構。直接安裝軸承滾輪等??沙惺軆衫?、壓兩種受力形式??蛊d、抗疲勞能力強。對惡劣的工況環境可采用不銹鋼波紋管焊接密封。適用于電子秤、皮帶秤、料斗秤及其他力值的測量與控制。
     

       


    CLF-H5A尺寸圖


    相關產品推薦

    關注微信小程序          百度小程序

    力業傳感器微信        力業傳感器微信

    地址:安徽省蚌埠市淮上區盛華路中恒電商產業園26棟東二層

    電話:0552-3031320

    杜工:19955293012

    梁工:19955293016

    郵箱:227304168@qq.com

    傳真:0552-3015631

    Copyright © 蚌埠市力業傳感器有限公司 版權所有      備案號:皖ICP備19008013號-1
    蚌埠市力業傳感器有限公司主要產品有:力敏傳感器、測力傳感器、張力傳感器、扭矩傳感器等,歡迎在線咨詢
    亚州Av无码乱子轮